申請日2016.10.21
公開(公告)日2017.05.03
IPC分類號C02F1/16
摘要
本實用新型屬于火電廠廢水處理技術領域,具體涉及一種火電廠廢水低溫余熱濃縮系統。系統包括除塵器、脫硫吸收塔、廢水收集箱、預處理裝置、廢水預熱裝置和蒸發濃縮塔,廢水預熱裝置利用除塵器與脫硫吸收塔之間煙道內的煙氣熱量對預處理后的廢水進行預熱;蒸發濃縮塔用于對預熱后的廢水進行低溫蒸發,包括塔體,所述塔體內設置有與所述廢水預熱裝置的廢水出口連接的霧化裝置,所述塔體內位于所述霧化裝置的下方設置有若干填料層;所述塔體下部設置有空氣入口,所述空氣入口連接有鼓風機,所述塔體上部設置有空氣出口;所述塔體底部設置有廢水濃縮循環系統。本系統整體設計簡單、運行可靠,占地面積小,運行能耗低,投資成本較低。
摘要附圖

權利要求書
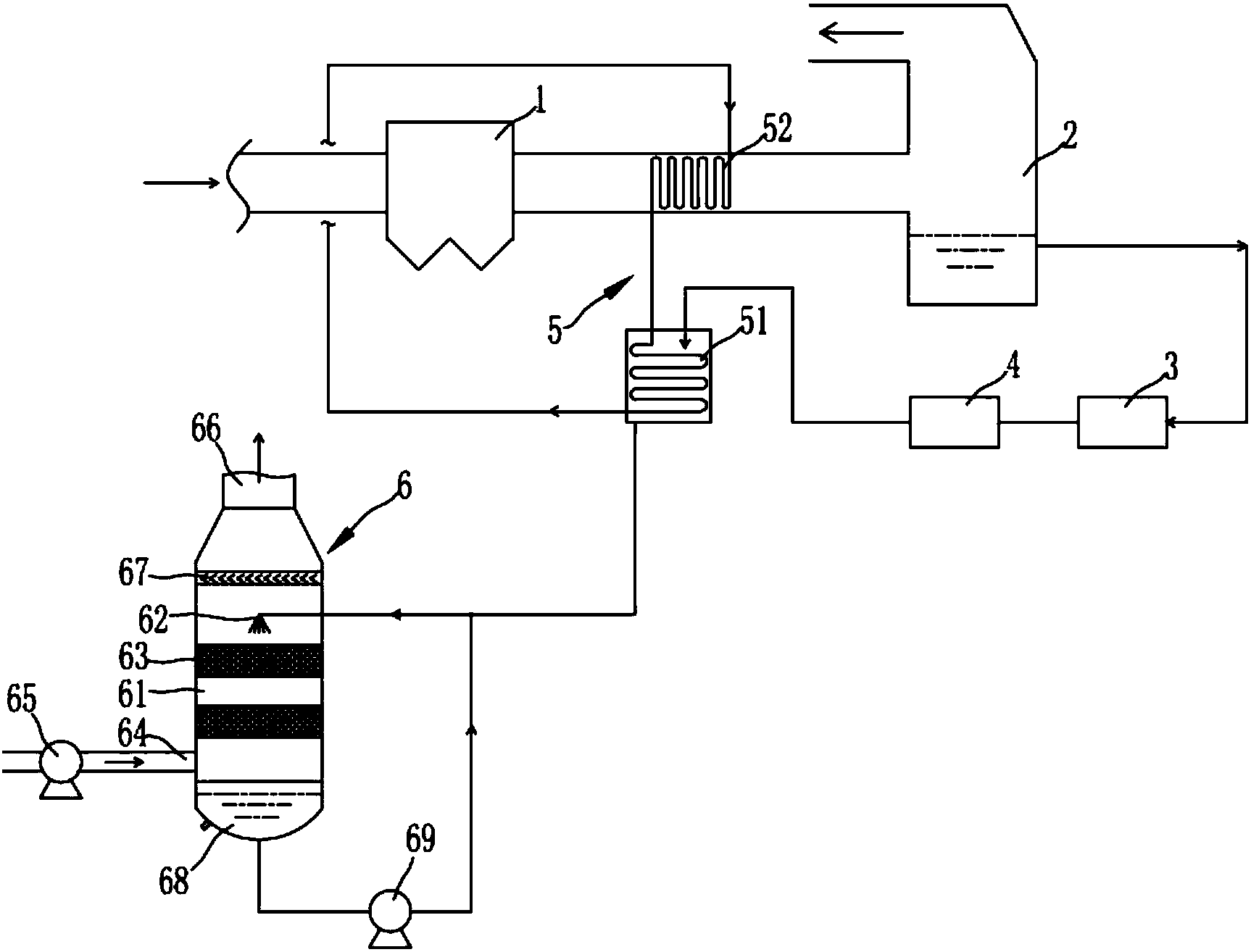
1.火電廠廢水低溫余熱濃縮系統,包括對鍋爐所排放的煙氣進行除塵的除塵器(1)、對除塵后的煙氣進行脫硫的脫硫吸收塔(2)、存儲脫硫吸收塔所產生廢水的廢水收集箱(3)以及對廢水收集箱內的廢水進行預處理的預處理裝置(4);其特征在于,還包括:
廢水預熱裝置(5),利用除塵器(1)與脫硫吸收塔(2)之間煙道內的煙氣熱量對預處理后的廢水進行預熱;
蒸發濃縮塔(6),用于對預熱后的廢水進行低溫蒸發,包括塔體(61),所述塔體(61)內設置有與所述廢水預熱裝置(5)的廢水出口連接的霧化裝置(62),所述塔體(61)內位于所述霧化裝置(62)的下方設置有若干填料層(63);所述塔體(61)下部設置有空氣入口(64),所述空氣入口(64)連接有鼓風機(65),所述塔體(61)上部設置有空氣出口(66);所述塔體(61)底部設置有廢水濃縮循環系統。
2.如權利要求1所述的火電廠廢水低溫余熱濃縮系統,其特征在于:所述廢水預熱裝置包括設置于所述預處理裝置下游的廢水預熱器(51)以及設置于除塵器與脫硫吸收塔之間的煙道內用于對廢水預熱器內的換熱介質進行加熱的煙氣預熱回收器(52)。
3.如權利要求1所述的火電廠廢水低溫余熱濃縮系統,其特征在于:所述廢水預熱裝置為設置于除塵器與脫硫吸收塔之間的煙道內的盤管(53)。
4.如權利要求1所述的火電廠廢水低溫余熱濃縮系統,其特征在于:所述塔體(61)內位于所述霧化裝置(62)的上方設置有除霧器(67)。
5.如權利要求1至4任一項所述的火電廠廢水低溫余熱濃縮系統,其特征在于:所述廢水濃縮循環系統包括設置于所述塔體(61)底部的廢水濃縮槽(68),所述廢水濃縮槽(68)通過廢水循環泵(69)與所述霧化裝置(62)相連通,所述廢水濃縮槽(68)設置有濃廢水出口。
說明書
火電廠廢水低溫余熱濃縮系統
技術領域
本實用新型屬于火電廠廢水處理技術領域,具體涉及一種火電廠廢水低溫余熱濃縮系統。
背景技術
石灰石-石膏濕法脫硫技術是目前火電廠應用比較廣泛的煙氣脫硫技術。脫硫裝置運行過程中定期排放大量廢水,即脫硫廢水。該廢水具有懸浮物濃度高、無機鹽及重金屬離子濃度高等特點。
傳統脫硫廢水處理工藝化學加藥法:常采用中和、沉淀、絮凝及濃縮與澄清的傳統化學處理方法進行處理,其雖然能夠減少重金屬和懸浮物含量、酸度及需氧量,但是不能減少氯含量和總溶解固體,比較終排放廢水是高含鹽廢水,仍然對環境造成危害,處理后水中氯離子無法去除,難以進入系統回用,同時該法還存在工藝流程長、占地面積大、運行不穩定、水質不達標、污泥產量大等諸多缺點。
隨著水資源短缺及環保壓力不斷加大,環保部門已要求燃煤機組逐步減排廢水,比較終實現廢水零排放。采用化學加藥法處理廢水,已無法滿足燃煤鍋爐用戶經濟效益和日益苛刻的環保要求。目前,火電廠廢水零排放的解決思路主要是通過熱蒸發法把液固兩相的廢水中水分蒸發出去,鹽分結晶得以分離,從而使得廢水中的懸浮物、鹽分等以固體形式進入固廢處理的范疇。但是由于水分蒸發需要耗費巨大的能源,再加上脫硫廢水中氯離子含量很高(達20000ppm),所以設備投資很大、腐蝕嚴重,能耗巨大,給火電企業帶來很大的成本壓力和設備維護壓力。這些成為制約火電廠廢水零排的瓶頸,到目前為止,尚沒有低成本、成熟的廢水零排解決方案得以推廣應用。
具體來說,目前幾種主要的蒸發技術有:
(1)多效蒸發結晶工藝:多效蒸發將幾個蒸發器串聯運行的蒸發操作,使蒸汽熱能得到多次利用,從而提高熱能的利用率,多用于水溶液的處理。
(2)MVR蒸發結晶工藝:MVR蒸發器的原理是利用高能效蒸汽壓縮機壓縮蒸發產生的二次蒸汽,提高二次蒸汽的壓力和溫度,被提高熱能的二次蒸汽打入加熱器對原液再進行加熱,受熱的原液繼續蒸發產生二次蒸汽,從而實現持續的蒸發狀態。
上述兩項技術(多效蒸發、MVR蒸發)都存在設備投資巨大、運行能耗巨大、設備腐蝕嚴重的缺點。更為嚴重的是,這兩種蒸發方式為了防止廢水中的Ca、Mg離子在受熱面上結垢,需要預先加入置換藥劑(如Na2CO3等)把Ca、Mg離子從廢水中置換出來,這種置換的藥劑費用很高。
(3)廢水直接噴入煙道蒸發技術:將廢水通過氣液兩相流噴嘴噴入除塵器前煙道內,廢水中的水分完全蒸發,溶解鹽結晶成為顆粒物被除塵器捕集。
這種蒸發方式雖然系統簡單、投資和能耗都很低,但是對煙氣溫度的要求和對煙道內蒸發行程要求很高;若不滿足蒸發條件,廢水會以液態的方式進入電除塵器等下游設備而造成損壞,存在很大風險,國內少數電廠曾經做過中試裝置,但現在基本已停運或拆除。
綜上所述,要實現火電廠廢水零排放的關鍵問題是降低能耗、降低設備結垢風險。
實用新型內容
為了解決上述技術問題,本實用新型的目的在于提供一種投資成本低、運行能耗低、能夠避免設備結垢問題的火電廠廢水低溫余熱濃縮系統。
為實現上述技術目的,本實用新型采用以下的技術方案:
火電廠廢水低溫余熱濃縮系統,包括對鍋爐所排放的煙氣進行除塵的除塵器、對除塵后的煙氣進行脫硫的脫硫吸收塔、存儲脫硫吸收塔所產生廢水的廢水收集箱以及對廢水收集箱內的廢水進行預處理的預處理裝置;還包括:
廢水預熱裝置,利用除塵器與脫硫吸收塔之間煙道內的煙氣熱量對預處理后的廢水進行預熱;
蒸發濃縮塔,用于對預熱后的廢水進行低溫蒸發,包括塔體,所述塔體內設置有與所述廢水預熱裝置的廢水出口連接的霧化裝置,所述塔體內位于所述霧化裝置的下方設置有若干填料層;所述塔體下部設置有空氣入口,所述空氣入口連接有鼓風機,所述塔體上部設置有空氣出口;所述塔體底部設置有廢水濃縮循環系統。
作為優選的技術方案,所述廢水預熱裝置采用除鹽水進行間接換熱,其包括設置于所述預處理裝置下游的廢水預熱器以及設置于除塵器與脫硫吸收塔之間的煙道內用于對廢水預熱器內的換熱介質進行加熱的煙氣預熱回收器;廢水預熱器內采用盤管換熱方式,換熱介質為管內流動的除鹽水,除鹽水流經布置在除塵器和脫硫塔之間的煙道內的煙氣余熱回收器,吸收溫度在90~150℃的煙氣熱量而使自身加熱到60~90℃后進入廢水預熱器,把熱量傳遞給盤管外的廢水,使得廢水預熱至40~60℃。
作為另一可選的技術方案,所述廢水預熱裝置采用直接預熱方式,預處理后的廢水直接流經設置于除塵器與脫硫吸收塔之間的煙道內的盤管進行預熱,此種方式需要嚴格控制廢水的預熱溫度(40~50℃),預熱溫度過高會使Ca(HCO3)2和Mg(HCO3)2在盤管內受熱分解而產生嚴重的Ca、Mg離子結垢。
作為優選,所述塔體內位于所述霧化裝置的上方設置有除霧器。
作為優選,所述廢水濃縮循環系統包括設置于所述塔體底部的廢水濃縮槽,所述廢水濃縮槽通過廢水循環泵與所述霧化裝置相連通,所述廢水濃縮槽設置有濃廢水出口。
由于采用上述技術方案,本火電廠廢水低溫余熱濃縮系統具有至少以下有益效果:
(1)本實用新型利用除塵器和脫硫吸收塔之間煙道內的煙氣余熱預熱廢水,這部分煙氣余熱在火電廠屬于無法進一步利用的廢熱,所以本實用新型的廢水蒸發濃縮過程無需額外消耗熱量,運行能耗很低。
(2)采用除鹽水作為換熱介質進行兩次換熱,使得廢水在廢水預熱器內盤管外進行預熱,同時控制預熱溫度在60℃以下,可以有效避免和解決Ca(HCO3)2、Mg(HCO3)2受熱分解而產生的Ca、Mg離子結垢問題,所以無需進行Ca、Mg離子的Na鹽置換,從而節省了大量的置換藥劑(如Na2CO3等)費用。
(3)蒸發濃縮塔內填料層采用耐腐蝕的非金屬材質,造價低廉,可以采取定期酸洗或更換的方式進行填料層的恢復。
(4)本系統不會對鍋爐主體系統造成影響,即使在本系統檢修或故障時,也不會對主機造成任何影響。
(5)系統整體設計簡單、運行可靠,占地面積小,投資成本較低。





