-
新型污水處理用格柵機詳細介紹(圖文) 2018-03-31 [污水處理] 熱度:296

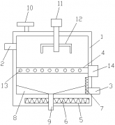
今天為廣大朋友介紹的是新型污水處理用格柵機 新型污水處理用格柵機,包括格柵機本體,第一支撐板的尾端固定安裝有一驅動電機,驅動電機的輸出端的軸上安裝有一雙槽電機滾輪,第一支撐板上固定安裝有一第一減速機,...
-
城市污水處理工藝及其發展介紹(圖) 2018-03-31 [污水處理] 熱度:339

今天為廣大朋友介紹的是城市污水處理工藝及其發展 城市污水處理技術作為環境學科的一個分支,就我國目前的狀況來看, 整體上已有了很大的進步,但還落后于我國城市發展的水平。近些年來, 雖然研究、開發了一些設備和工...
-
目前流行的醫療污水處理工藝介紹(圖) 2018-03-31 [污水處理] 熱度:185

今天為廣大朋友介紹的是目前流行的醫療污水處理工藝 目前我國已建設有相當數量的醫院污水處理設施,對醫院污水的污染控制起到了積極的作用。但與發達國家醫院污水處理狀況及世界衛生組織的要求相比,我國醫院污水處...
-
美容院污水處理工藝介紹(圖文) 2018-03-31 [污水處理] 熱度:265

今天為廣大朋友介紹的是美容院污水處理工藝 近幾年,美容院如雨后春筍一般出現在城市大街上。隨著中國經濟的發展,人民生活水平的提高、思想解放和消費需求的變化,中國的整形美容將進入一個新的快速發展時期;越來越...
-
A/O生物接觸氧化污水處理工藝介紹(圖) 2018-03-31 [污水處理] 熱度:433

今天為廣大朋友介紹的是A/O生物接觸氧化污水處理工藝 1、生物接觸氧化工藝又稱淹沒式生物濾池、接觸曝氣法、固著式活性污泥法,其技術原理是在生物反應池內填充填料,已經充氧的污水浸沒全部填料并以一定的流速流經...
-
污水處理用調節池介紹(圖) 2018-03-31 [污水處理] 熱度:392

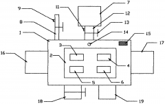
今天為廣大朋友介紹的是污水處理用調節池 污水處理用調節池,包括箱體、進水管、排水管和曝氣管,所述進水管和排水管設在箱體兩側,所述曝氣管設在箱體中部,所述箱體底部設置有空腔,所述空腔內設置有電熱絲,所述...
-
智能水處理器介紹(圖) 2018-03-31 [污水處理] 熱度:235

今天為廣大朋友介紹的是智能水處理器 智能水處理器,包括本體、控制面板和加藥箱以及設置在本體頂端的酸堿中和管,本體的頂端通過加藥管與加藥箱固定連接,本體的底端固定設有排污管,酸堿中和管、加藥管和排污管上...
-
污水處理廠化學除油器自動排泥技術介紹(圖) 2018-03-31 [污水處理] 熱度:368

今天為廣大朋友介紹的是污水處理廠化學除油器自動排泥技術 污水處理廠化學除油器自動排泥裝置,屬于污水處理設備技術領域。該裝置是在化學除油器的四周側壁上連通有多根氮氣管道,氮氣管道的另一端與氮氣源相連;每根...
-
制約反滲透技術因素介紹(圖) 2018-03-31 [污水處理] 熱度:250

今天為廣大朋友介紹的是制約反滲透技術因素 影響反滲透技術的滲透效果因素有很多,主要集中在壓力、溫度、鹽的濃密和滲透膜污染等因素。在滲透過程過程中,反滲透技術對水溫比較敏感,水溫的變化會影響水產量,水溫...
-
循環冷卻水旁流水處理系統方法介紹(圖) 2018-03-31 [污水處理] 熱度:344

今天為廣大朋友介紹的是污水處理氣浮裝置 循環冷卻水旁流水處理系統及旁流水處理方法,該旁流水處理系統包括旁流取水單元;與旁流取水單元連接的電化學水處理裝置,電化學水處理裝置中包括反應室;反應室的底端設有入...
-
污水處理氣浮裝置介紹(圖) 2018-03-31 [污水處理] 熱度:399

今天為廣大朋友介紹的是污水處理氣浮裝置 用于污水處理的氣浮裝置,包括依次連接的原水機構、氣浮機構和催化氧化機構,原水機構包括原水池和污水泵,氣浮機構包括氣浮機、制氧機和臭氧發生器,催化氧化機構包括射流...
-
熱電廠化學水處理回用系統與工藝介紹(圖) 2018-03-31 [污水處理] 熱度:318

今天為廣大朋友介紹的是熱電廠化學水處理回用系統與工藝 熱電廠化學水處理回用系統與工藝,包括多介質過濾器、Super RO膜裝置、EDI裝置、脫鹽水箱;熱電廠化學水通過多介質過濾器的第一進水端進水,多介質過濾器的第...
-
砷污染及砷污染的來源詳細介紹(圖) 2018-03-31 [污水處理] 熱度:589

今天為廣大朋友介紹的是砷污染及砷污染的來源 砷污染是指由砷或其化合物所引起的環境污染。砷和含砷金屬的開采、冶煉,用砷或深化合物作原料的玻璃、顏料、原藥、紙張的生產以及煤的燃燒等過程,都可產生含砷廢水、...
-
農業灌溉水處理材料制備方法詳細介紹 2018-03-31 [污水處理] 熱度:302

今天為廣大朋友介紹的是農業灌溉水處理材料制備方法 農業灌溉水處理材料的制備方法。本發明提出的制備方法是將秸稈焙燒碳化,制備高比表面積多孔結構吸附材料,具體工藝包括粉碎秸稈、制備漿料、成型加工以及高溫焙...
-
鋼鐵企業工業污水處理現狀詳細介紹 2018-03-31 [污水處理] 熱度:255

今天為廣大朋友介紹的是 鋼鐵企業工業污水處理現狀 鋼鐵工業作為高能耗、多排放的行業,在全國節能減排的工作中承擔著重大的責任。我國要進一步降低鋼鐵企業噸鋼耗用新水量、提高鋼鐵企業水的重復利用率,需要積極推廣...